English
Español
Português
русский
Français
日本語
Deutsch
tiếng Việt
Italiano
Nederlands
ภาษาไทย
Polski
한국어
Svenska
magyar
Malay
বাংলা ভাষার
Dansk
Suomi
हिन्दी
Pilipino
Türkçe
Gaeilge
العربية
Indonesia
Norsk
تمل
český
ελληνικά
український
Javanese
فارسی
தமிழ்
తెలుగు
नेपाली
Burmese
български
ລາວ
Latine
Қазақша
Euskal
Azərbaycan
Slovenský jazyk
Македонски
Lietuvos
Eesti Keel
Română
Slovenski
मराठी
Srpski језик
Vlastnosti produktues
1, generovanie jednosmerného prúdu a ukladanie jednosmerného prúdu, vyššia účinnosť a nižšie straty, čo je vhodné pre fotovoltaiku a akumulačný výkon je väčší
ako scenáre záťažového napájania mimo siete;
2, krytie IP65, vyhovujúce vonkajšiemu použitiu. Neďaleký MPPT zvyšuje výstup konvergencie, čo pomáha predchádzať zapájaniu
zmätok spôsobený viacerými fotovoltaickými (PV) káblami prenášanými na veľké vzdialenosti do systému všetko v jednom.
3, 200-900V široký rozsah napätia fotovoltaického vstupu, ktorý podporuje priemyselný prístup k vysokoprúdovému fotovoltaickému modulu.
4、Viackanálový MPPT, ktorý spĺňa viaceré uhly PV panela
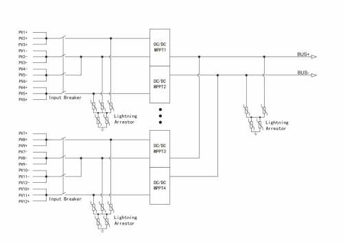
Schéma zapojenia

Špecifikácia
| Modelky | MPPT-8 | MPPT-6 | MPPT-12 | |
| PV-Side Interface Parametre |
Maximálne napätie FV poľa | 900 V | ||
| Rozsah napätia MPPT | 200V-900V | |||
| Menovitý rozsah napätia MPPT | 560V-900V | |||
| Maximálny prúd vetvy | 24A | 20A | ||
| Číslo vstupných reťazcov PV | 8 | 6 | 12 | |
| Počet MPPT | 8 | 2 | 4 | |
| Prúd na MPPT | 20A | 55A | ||
| Výstupné parametre | Rozsah napätia | 600-950V | ||
| Menovité napätie | Predvolené 716,8 V, nastaviteľné | |||
| Menovitý výstupný prúd | 118A | 84A | 168A | |
| Menovitý výstupný výkon | 84 kW | 60 kW | 120 kW | |
| Maximálny výstupný prúd | 192A | 120A | 240A | |
| Systémové parametre | EUe city | 99,4 % | ||
| stupeň IP | IP65 | |||
| Koncept chladenia | Prirodzená konvekcia | Nútené chladenie vzduchom | ||
| Rozmery (Š*H*V) | Rozmery 550 x 530 x 280 mm | Rozmer 630 × 460 × 260 mm | Rozmer 630 × 460 × 260 mm | |
| Hmotnosť | 42 kg | 25 kg | 30 kg | |
| Prevádzková teplota | -30-55 ℃ | |||
| Režimy napájania | Vlastné napájanie (bez nočného výpadku prúdu) | |||
| Komunikačné rozhranie | RS485 | |||
