English
Español
Português
русский
Français
日本語
Deutsch
tiếng Việt
Italiano
Nederlands
ภาษาไทย
Polski
한국어
Svenska
magyar
Malay
বাংলা ভাষার
Dansk
Suomi
हिन्दी
Pilipino
Türkçe
Gaeilge
العربية
Indonesia
Norsk
تمل
český
ελληνικά
український
Javanese
فارسی
தமிழ்
తెలుగు
नेपाली
Burmese
български
ລາວ
Latine
Қазақша
Euskal
Azərbaycan
Slovenský jazyk
Македонски
Lietuvos
Eesti Keel
Română
Slovenski
मराठी
Srpski језик |
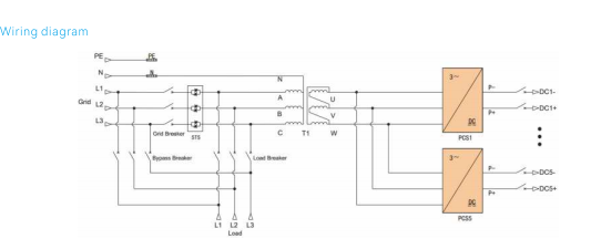
Funkcia Systém využíva modulárne invertorové jednotky v paralelnej konfigurácii, kde DC vstup každého invertorového modulu zodpovedá vyhradenej batériovej skrini, umožňujúce riadenie jednotlivých klastrov na elimináciu cirkulujúcich prúdov medzi nimi šnúry batérie. Napájacie moduly AC/DC podporujú flexibilné nasadenie v množstve aj menovitý výkon, s maximálnou kapacitou 60kW modulov paralelne s 5 jednotkami konfigurácia. AC výstup z napájacích modulov je dodávaný cez transformátor izolovaný koncový stupeň, dodávajúci energiu do záťaže so silným odporom aktuálny šok. Hybridný ESS využíva fotovoltaickú integráciu spojenú s jednosmerným prúdom, čím dosahuje vysokú úroveň účinnosť premeny energie a optimalizované pre scenáre mimo siete s FV výrobná kapacita presahujúca dopyt po záťaži; Vonkajšie ovládače MPPT integrujte funkcie kombinátora a MPPT do jedného tvrdeného krytu. Kompletný systém obsahuje voliteľný dieselový generátor ATS, 300 kW hybrid invertor, PV MPPT regulátor a systém na ukladanie energie z batérie.
Funkcia Systém využíva modulárne invertorové jednotky v paralelnej konfigurácii, kde DC vstup každého invertorového modulu zodpovedá vyhradenej batériovej skrini, umožňujúce riadenie jednotlivých klastrov na elimináciu cirkulujúcich prúdov medzi nimi šnúry batérie. Napájacie moduly AC/DC podporujú flexibilné nasadenie v množstve aj menovitý výkon, s maximálnou kapacitou 60kW modulov paralelne s 5 jednotkami konfigurácia. AC výstup z napájacích modulov je dodávaný cez transformátor izolovaný koncový stupeň, dodávajúci energiu do záťaže so silným odporom aktuálny šok. Hybridný ESS využíva fotovoltaickú integráciu spojenú s jednosmerným prúdom, čím dosahuje vysokú úroveň účinnosť premeny energie a optimalizované pre scenáre mimo siete s FV výrobná kapacita presahujúca dopyt po záťaži; Vonkajšie ovládače MPPT integrujte funkcie kombinátora a MPPT do jedného tvrdeného krytu. Kompletný systém obsahuje voliteľný dieselový generátor ATS, 300 kW hybrid invertor, PV MPPT regulátor a systém na ukladanie energie z batérie.
Špecifikácie |
|||||
| Modelky | P200TS-400-A | P250TS-400-A | P300TS-400-A | ||
|
Parametre DC-Side |
Rozsah napätia | 650-950Vdc | |||
| Prepínač vstupu na modul | 250A | ||||
| Počet DC kanálov | 3 spôsob | 4 spôsobom | 5 spôsobom | ||
|
Parametre AC-Side (pripojené k sieti) |
Menovitý výstupný výkon | 200 kW | 250 kW | 300 kW | |
| Maximálny výstupný výkon | 220 kW | 275 kW | 330 kW | ||
| Menovitý výstupný prúd | 289A | 361A | 433A | ||
| THDI | <3 % | ||||
| Typ mriežky | 3W+N+PE | ||||
| Rozsah napätia | 360Vac~440Vac | ||||
| Frekvenčný rozsah | 45~55Hz/55~65Hz | ||||
| Účiník | -1~1 | ||||
|
Islanded Parametre na strane AC |
Menovitý výstupný výkon | 200 kW | 250 kW 300 kW | ||
| Menovité výstupné napätie | 400 Vac | ||||
| Menovitá výstupná frekvencia | 50/60 Hz | ||||
| THDu | <1 % lineárne, <5 % nelineárne <1 % lineárne, <5 % nelineárne | ||||
| Kapacita preťaženia | 110 % preťaženie na 10 minút 110 % na 10 minút | ||||
|
Grid-Islanding Prevodovka a rozvádzač |
Prepínač údržbového bypassu | 400A | 630A | ||
| Sieťové spínače | 630A | 800A | |||
| Spínače záťaže | 400A | 630A | |||
| jednotka STS | 577A/400kW | 722A/500kW | |||
| Čas prepínania | <20 ms | ||||
|
Parametre systémov |
Špičková účinnosť | 97,5 % | |||
| Prevádzková teplota | -30~55℃-30~55℃ (zníženie nad 40℃) | ||||
| Relatívna vlhkosť | 0~95%RH,0~95%RH,Bez kondenzácie | ||||
| Rozmery (D*D*V) | 1300×1050×2050 mm | ||||
| Hmotnosť | 1400 kg | 1700 kg 1800 kg | |||
| IPgrade | IP21 IP21 (úplná sada) | ||||
| Hluk | <70 dB | ||||
| Displej | LCD dotykový displej | ||||
| BMS komunikácia | CAN | ||||
| EMS komunikácia | TCP/IP | ||||