English
Español
Português
русский
Français
日本語
Deutsch
tiếng Việt
Italiano
Nederlands
ภาษาไทย
Polski
한국어
Svenska
magyar
Malay
বাংলা ভাষার
Dansk
Suomi
हिन्दी
Pilipino
Türkçe
Gaeilge
العربية
Indonesia
Norsk
تمل
český
ελληνικά
український
Javanese
فارسی
தமிழ்
తెలుగు
नेपाली
Burmese
български
ລາວ
Latine
Қазақша
Euskal
Azərbaycan
Slovenský jazyk
Македонски
Lietuvos
Eesti Keel
Română
Slovenski
मराठी
Srpski језик
Vlastnosti produktu
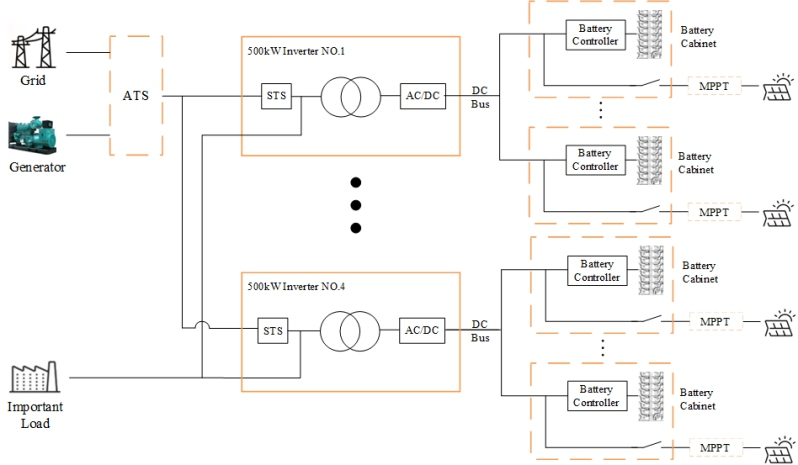
1. Pri záťaži nad 500 kW sa odporúča použiť veľkokapacitný 500 kW jednoblokový akumulačný menič energie, ktorý je schopný podporovať až štyri sady paralelných pripojení, čím sa dosiahne celkový výkon 2 MW;
2. Pri paralelnej prevádzke viacerých 500 kW systémov a distribúcii STS cez rôzne 500 kW invertory je dôležité zabezpečiť, aby dĺžka kábla od bodu pripojenia siete k bodu pripojenia záťaže bola konzistentná;
3.Hybridný ESS využíva fotovoltaickú integráciu spojenú s jednosmerným prúdom, čím dosahuje vysokú účinnosť premeny energie a je optimalizovaný pre scenáre mimo siete s kapacitou výroby FV presahujúcou dopyt po záťaži; MPPT s vonkajším hodnotením
regulátory integrujú funkcie zlučovača a MPPT do jedného tvrdeného krytu. Kompletný systém obsahuje voliteľný dieselový generátor ATS, 300kW hybridný invertor, PV MPPT regulátor a batériu
systém skladovania energie.


Špecifikácia
| Modelky | P500TS-400-A | |
|
Parametre DC-Side |
Rozsah napätia | 500-950V |
| Maximálny prúd | 1128A | |
| Menovitý výstupný výkon | 500 kW | |
|
Parametre AC-Side (pripojené k sieti) |
Maximálny výstupný výkon | 550 kW |
| Menovitý výstupný prúd | 722A | |
| THDI | <3 % | |
| Typ mriežky | 3W+N+PE | |
| Rozsah napätia | 360VAC ~ 440VAC | |
| Frekvenčný rozsah | 45~55Hz/55~65Hz | |
| Účiník | -1~1 | |
| Menovitý výstupný výkon | 500 kW | |
|
Parametre AC strany (Off-Grid) |
Menovité výstupné napätie | 400 V |
| Menovitá výstupná frekvencia | 50/60 Hz | |
| THDu | <1%lineárne zaťaženie,<5%nelineárne zaťaženie | |
| Kapacita preťaženia | 110 % 10 minút | |
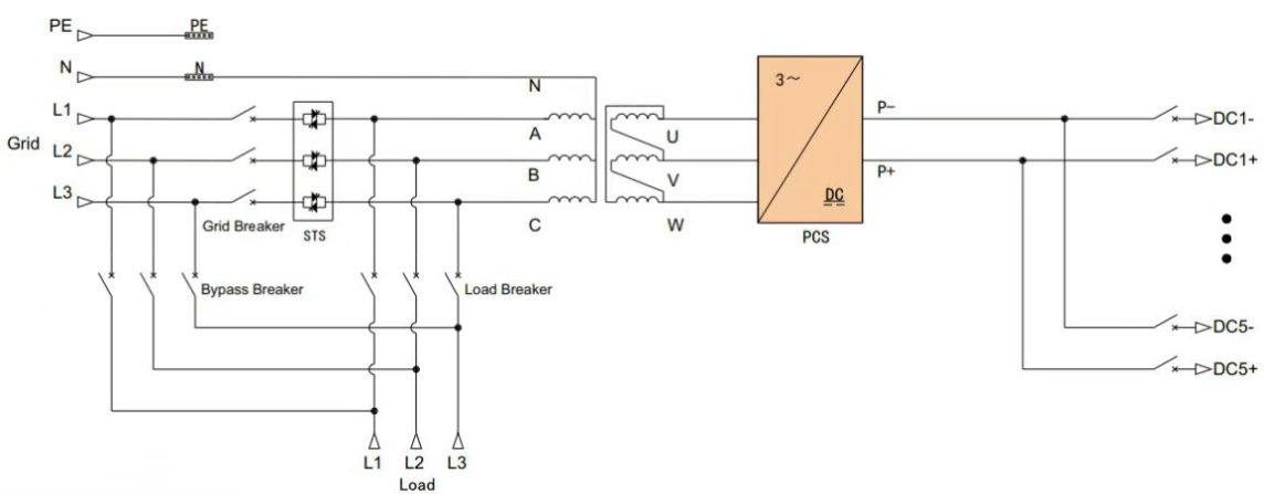
| Prepínač údržbového bypassu | 1250A | |
|
Vypínač Off-Grid a konfigurácia prepínača |
DC vypínač | 1250A |
| Spínač záťaže | 1250A | |
| Mriežkový spínač | 1250A | |
| jednotka STS | 1155A/800kW | |
| Čas prepínania | <20 ms | |
|
Parametre systémov |
Špičková účinnosť | 97,5 % |
| Prevádzková teplota | -30~55℃ (zníženie nad 40℃) | |
| Relatívna vlhkosť | 0 až 95 % RH, nekondenzuje | |
| Rozmery (D*D*V) | 1600×1050×2050 mm | |
| Hmotnosť | 2700 kg | |
| IPgrade | IP21 IP21 (kompletný stroj) | |
| Hluk | <70 dB | |
| Displej | LCD | |
| BMS komunikácia | CAN | |
| EMS komunikácia | TCP/IP | |